Yamaha Rx 100 Wiring Diagram Pdf Yamaha Rx135 Wiring Diagram
Rx 100 bike drawing images. Wiring diagram yamaha rxs. V750 schematic schaltplan c405 standby defective defekt
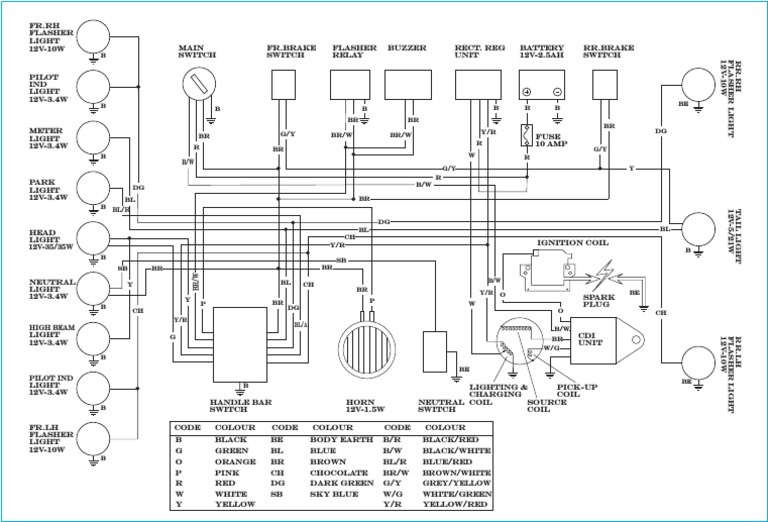
yamaha rx 100 wiring diagram pdf
Download PDF
Yamaha amp schematic


Yamaha amp schematic. Yamaha receiver rxv-595 schematic. V750 schematic schaltplan c405 standby defective defekt. Yamaha rx135 wiring diagram
Yamaha RX 135 Modification Project | Complete Wiring Guide | Part - 2
Yamaha Amp Schematic - Wiring Diagram Schemas
Yamaha RX135 Wiring Diagram | Light | Color
Wiring Harnes For Yamaha Motorcycle - Fuse & Wiring Diagram
Yamaha Amp Schematic - Wiring Diagram Schemas

Tidak ada komentar:
Posting Komentar