Get Images Library Photos and Pictures. Diagram Linak Linear Actuator Wiring Diagram Full Version Hd Quality Wiring Diagram Df1x44 Epaviste Gratuit Idf Fr 2 Channel Remote To Control Linear Actuators Firgelli Diagram Linear Actuator Controller Wiring Diagrams Full Version Hd Quality Wiring Diagrams Netactivitydiagram Potrosuaemfc Mx Linear Actuator Manufacturing Wiring Diagram Bearing White Crown Angle Bearing Industry Png Pngwing
A wiring diagram is a streamlined standard photographic representation of an electric circuit. The in line fuse should be attached to terminal four sloping towards terminal three.

. 2 Channel Remote To Control Linear Actuators Firgelli How Do I Wire Solid State Relays To A Linear Actuator Electrical Engineering Stack Exchange How To Wire A Rocker Switch To Linear Actuator
How Do I Wire Solid State Relays To A Linear Actuator Electrical Engineering Stack Exchange
How Do I Wire Solid State Relays To A Linear Actuator Electrical Engineering Stack Exchange Follow the instructions described in the linear actuator wire diagram.

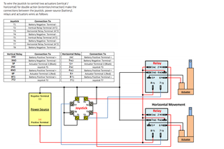
. It has 6 terminals you should connect to wire up the actuator. Home contact dmca. Wires from t2 and t5 connected to the actuator will be the finishing.
Collection of linear actuator wiring diagram. A wiring diagram is an easy visual representation in the physical connections and physical layout of the electrical system or circuit. When connecting the second in line fuse the connection process is the same but the wiring is done on the opposite side.
The actuator needs to be connected to the center with the two fold connectors in terminal three. Finally i get this ebook thanks for all. Linear actuator wiring diagram what is a wiring diagram.
It shows the way the electrical wires are interconnected and can also show where fixtures and components may be attached to the system. Our library is the biggest of these that have literally hundreds of thousands of different products represented. Heres the diagram describing a process.
These two folds wires should be joined on terminal six with the end of the in line fuse wire being connected to terminal one. Take a second wire and join t6 with t1. Connect the positive side of the power supply to the t6.
To get started finding electric linear actuator wiring diagram diagram files free downloads you are right to find our website which has a comprehensive collection of manuals listed. Wiring diagram in our example we use the rocker switch. It reveals the components of the circuit as streamlined shapes as well as the power and also signal links in between the devices.
Connect the negative terminal of the power supply to the t3. Connect terminals number 3 and 4.
I Need A Wiring Diagram For A 12v Application All Components Are 12v I Need To Hook A Linear Actuator To A Thermostat
37mm Can Stack Stepper Motor Linear Actuator Haydon Kerk 37000 Series
Diagram Invacare 24v Linear Actuator Wiring Diagram Full Version Hd Quality Wiring Diagram Venndiagram Jmvanlerenberghe Fr
Diagram Linak Linear Actuator Wiring Diagram Full Version Hd Quality Wiring Diagram Df1x44 Epaviste Gratuit Idf Fr
Linear Actuator Manufacturing Wiring Diagram Bearing White Crown Angle Bearing Industry Png Pngwing
Diagram Vista Linear Actuator Wiring Diagram Full Version Hd Quality Wiring Diagram Eauclaireblackfriday Trodat Printy 4923 Fr
Https Encrypted Tbn0 Gstatic Com Images Q Tbn And9gcr8hlmcb5jjqkinr3e2olt5as 3asrn8xvpbnljpm6rdgprecn Usqp Cau
Actuator Control With External Limit Switch Progressive Automations
Windynation Linear Actuator 12 Volt 12v 225 Pounds Lbs Up Down Dpdt Switch Power Supply Mounting Brackets
Diagram Diagram Connecting A Linear Actuator To A Rocker Switch Full Version Hd Quality Rocker Switch Diagrammind Potrosuaemfc Mx
Diagram Rotork Actuator Wiring Diagram Full Version Hd Quality Wiring Diagram Diagramethod Apb Montalivet Fr
Diagram Linear Slide Actuator Wiring Diagram Full Version Hd Quality Wiring Diagram Ideiaslivre Beataprimavera It
Using A Switch Remote At The Same Time With Linear Actuators
Wiring Diagram For Linear Actuator
Valve Actuator Wiring Diagram Butterfly Valve Control Valves Electrical Wires Cable Ball Screw Linear Actuator Angle Text Png Pngegg
Diagram Rotork Actuator Wiring Diagram Full Version Hd Quality Wiring Diagram Diagramethod Apb Montalivet Fr
Diagram Linear Actuator Controller Wiring Diagrams Full Version Hd Quality Wiring Diagrams Netactivitydiagram Potrosuaemfc Mx
Diagram Abz Electric Actuator Wiring Diagram Full Version Hd Quality Wiring Diagram Diagramgame1j Centrostudigenzano It
Linear Actuator Wiring Diagram Logic Gates Ladder Diagram Atv Citroen Wirings1 Jeanjaures37 Fr
Wiring Diagram Rotork Actuator Trailer Towing School Bus Driver Test Transparent Png
Actuator Relay Wiring Diagram 91 Toyota Mr2 Fuse Box Diagram Wire Diag Yenpancane Jeanjaures37 Fr
Diagram Linear Actuator Controller Wiring Diagrams Full Version Hd Quality Wiring Diagrams Netactivitydiagram Potrosuaemfc Mx
Tidak ada komentar:
Posting Komentar